Product list產品列表
Customer service在線客服
產品展示

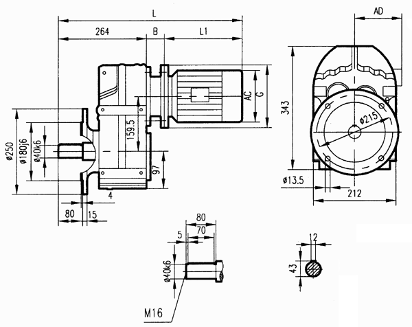
法蘭聯(lián)接式(Y2標準電機)
|
電機機座號 |
90S |
90L |
100L |
112M |
132S |
132M |
160M |
160L |
180M |
180L |
200 |
|
AC |
195 |
195 |
215 |
240 |
275 |
275 |
330 |
330 |
380 |
380 |
420 |
|
AD |
155 |
155 |
180 |
190 |
210 |
210 |
255 |
255 |
280 |
280 |
305 |
|
B |
65 |
65 |
81.5 |
81.5 |
92 |
92 |
125 |
125 |
125 |
125 |
152 |
|
G |
200 |
200 |
250 |
250 |
300 |
300 |
350 |
350 |
350 |
350 |
400 |
|
L1 |
270 |
295 |
325 |
340 |
390 |
430 |
505 |
560 |
590 |
630 |
660 |
|
L |
751 |
776 |
822.5 |
837.5 |
898 |
938 |
1046 |
1101 |
1131 |
1171 |
1206 |

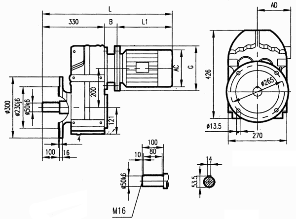
法蘭聯(lián)接式(Y2標準電機)
|
電機機座號 |
100L |
112M |
132S |
132M |
160M |
160L |
180M |
180L |
200 |
|
AC |
215 |
240 |
275 |
275 |
330 |
380 |
380 |
180 |
420 |
|
AD |
180 |
190 |
210 |
210 |
255 |
255 |
280 |
280 |
305 |
|
B |
68 |
68 |
106 |
106 |
126 |
126 |
126 |
126 |
140 |
|
G |
250 |
250 |
300 |
300 |
350 |
350 |
350 |
350 |
400 |
|
L1 |
325 |
340 |
390 |
430 |
505 |
560 |
590 |
630 |
660 |
|
L |
877 |
894 |
980 |
1120 |
1115 |
1170 |
1200 |
1240 |
1284 |

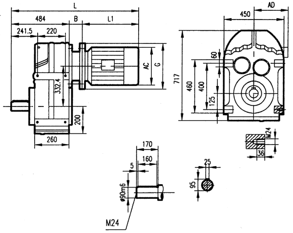
法蘭聯(lián)接式(Y2標準電機)
|
電機機座號 |
132M |
160M |
160L |
180M |
180L |
200 |
225S |
225M |
250M |
280S |
280M |
|
AC |
275 |
330 |
330 |
380 |
380 |
420 |
470 |
470 |
510 |
580 |
580 |
|
AD |
210 |
255 |
255 |
280 |
280 |
305 |
335 |
335 |
370 |
410 |
410 |
|
B |
98.5 |
120 |
120 |
120 |
120 |
139 |
169 |
169 |
192.5 |
192.5 |
192.5 |
|
G |
300 |
350 |
350 |
350 |
350 |
400 |
450 |
450 |
550 |
550 |
550 |
|
L1 |
430 |
505 |
560 |
590 |
630 |
660 |
675 |
705 |
770 |
845 |
895 |
|
L |
1113.5 |
1210 |
1260 |
1295 |
1335 |
1384 |
1429 |
1459 |
1547.5 |
1522.5 |
1672.5 |
注:機座250MS,280S,280M超過底座。

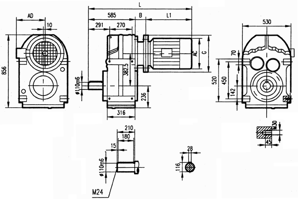
法蘭聯(lián)接式(Y2標準電機)
|
電機機座號 |
160M |
160L |
180M |
180L |
200 |
225S |
225M |
250M |
280S |
280M |
315S |
315M |
|
AC |
330 |
330 |
380 |
380 |
420 |
470 |
470 |
510 |
580 |
580 |
645 |
645 |
|
AD |
255 |
255 |
280 |
280 |
305 |
335 |
335 |
370 |
410 |
410 |
530 |
530 |
|
B |
115 |
115 |
115 |
115 |
160 |
170 |
170 |
192.5 |
192.5 |
192.5 |
260 |
260 |
|
G |
350 |
350 |
350 |
350 |
400 |
450 |
450 |
550 |
550 |
550 |
660 |
660 |
|
L1 |
505 |
560 |
590 |
630 |
660 |
675 |
705 |
770 |
845 |
895 |
1100 |
1130 |
|
L |
1282 |
1337 |
1367 |
1407 |
1482 |
1507 |
1537 |
1624.5 |
1699.5 |
1749.5 |
2022 |
2052 |

法蘭聯(lián)接式(Y2標準電機)
|
電機機座號 |
63 |
71 |
80 |
90S |
90L |
100L |
|
AC |
130 |
145 |
175 |
195 |
195 |
215 |
|
AD |
70 |
80 |
145 |
155 |
155 |
180 |
|
B |
45 |
50.5 |
60.5 |
60.5 |
60.5 |
85.5 |
|
G |
140 |
160 |
200 |
200 |
200 |
250 |
|
L1 |
207 |
225 |
255 |
270 |
295 |
325 |
|
L |
428 |
460.5 |
491.5 |
506.5 |
531.5 |
586.5 |

法蘭聯(lián)接式(Y2標準電機)
|
電機機座號 |
63 |
71 |
80 |
90S |
90L |
100L |
|
AC |
130 |
145 |
175 |
195 |
195 |
215 |
|
AD |
70 |
80 |
145 |
155 |
155 |
180 |
|
B |
44.5 |
50 |
69 |
69 |
69 |
81 |
|
G |
140 |
160 |
200 |
200 |
200 |
250 |
|
L1 |
207 |
225 |
255 |
270 |
295 |
325 |
|
L |
469.5 |
493 |
542 |
557 |
582 |
624 |

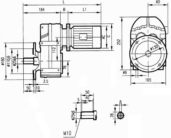
法蘭聯(lián)接式(Y2標準電機)
|
電機機座號 |
63 |
71 |
80 |
90S |
90L |
100L |
112M |
132S |
|
AC |
130 |
145 |
175 |
195 |
195 |
215 |
240 |
275 |
|
AD |
70 |
80 |
145 |
155 |
155 |
180 |
190 |
210 |
|
B |
44.5 |
50 |
69 |
69 |
69 |
81 |
81 |
93 |
|
G |
140 |
160 |
200 |
200 |
200 |
250 |
250 |
300 |
|
L1 |
207 |
225 |
255 |
270 |
295 |
325 |
340 |
390 |
|
L |
494.5 |
518 |
567 |
582 |
607 |
649 |
664 |
726 |

法蘭聯(lián)接式(Y2標準電機)
|
電機機座號 |
63 |
71 |
80 |
90S |
90L |
100L |
112M |
132S |
|
AC |
130 |
145 |
175 |
195 |
195 |
215 |
240 |
275 |
|
AD |
70 |
80 |
145 |
155 |
155 |
180 |
190 |
210 |
|
B |
44.5 |
50 |
69 |
69 |
69 |
81 |
81 |
93 |
|
G |
140 |
160 |
200 |
200 |
200 |
250 |
250 |
300 |
|
L1 |
207 |
225 |
255 |
270 |
295 |
325 |
340 |
390 |
|
L |
525.5 |
539 |
588 |
603 |
628 |
670 |
685 |
747.5 |

法蘭聯(lián)接式(Y2標準電機)
|
電機機座號 |
63 |
71 |
80 |
90S |
90L |
100L |
112M |
132S |
132M |
160M |
|
AC |
130 |
145 |
175 |
195 |
195 |
215 |
240 |
275 |
275 |
330 |
|
AD |
70 |
80 |
145 |
155 |
155 |
180 |
190 |
210 |
210 |
255 |
|
B |
44.5 |
50 |
70 |
70 |
70 |
75 |
75 |
96.5 |
96.5 |
125 |
|
G |
140 |
160 |
200 |
200 |
200 |
250 |
250 |
300 |
300 |
350 |
|
L1 |
207 |
225 |
255 |
270 |
295 |
325 |
340 |
390 |
430 |
505 |
|
L |
581.5 |
605 |
655 |
670 |
695 |
730 |
745 |
816 |
856.5 |
956 |

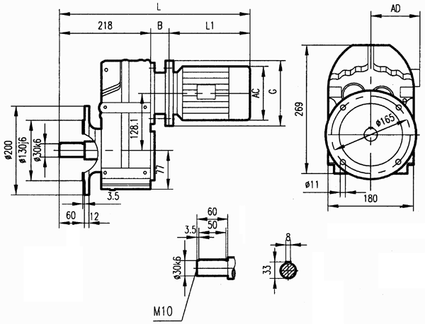
法蘭聯(lián)接式(Y2標準電機)
|
電機機座號 |
80 |
90S |
90L |
100L |
112M |
132S |
132M |
160M |
160L |
180M |
180L |
|
AC |
175 |
195 |
195 |
215 |
240 |
275 |
275 |
330 |
330 |
380 |
380 |
|
AD |
145 |
155 |
155 |
180 |
190 |
210 |
210 |
255 |
255 |
280 |
280 |
|
B |
70 |
70 |
70 |
82 |
82 |
92 |
92 |
130 |
130 |
130 |
130 |
|
G |
200 |
200 |
200 |
250 |
250 |
300 |
300 |
350 |
350 |
350 |
350 |
|
L1 |
255 |
270 |
295 |
325 |
340 |
390 |
430 |
505 |
560 |
590 |
630 |
|
L |
699 |
710 |
735 |
781 |
796 |
856 |
896 |
1009 |
1064 |
1194 |
1134 |
| 頁次:6/9 每頁10條 共89條信息 分頁:[1][2][3][4][5][6][7][8][9] |
